Product Summary
The MSP430F249TPMR is a microcontroller configuration with two built-in 16-bit timers, a fast 12 bit A/D converter, a comparator, four universal serial communication interface (USCI) modules, and up to 48 I/O pins. The MSP430F249TPMR is identical to the MSP430F24x devices, with the exception that the ADC12 module is not implemented. The MSP430F249TPMR is identical to theMSP430F24x devices,with the exception that a reduced Timer B, one USCI module, and less RAM is integrated.
Parametrics
MSP430F249TPMR absolute maximum ratings: (1)Voltage applied at VCC to VSS: -0.3 V to 4.1 V; (2)Voltage applied to any pin: -0.3 V to VCC + 0.3 V; (3)Diode current at any device terminal: ±2 mA; (4)Storage temperature, Tstg: Unprogrammed device: -55°C to 150°C, Programmed device: -40°C to 105°C.
Features
MSP430F249TPMR features: (1)Low Supply-Voltage Range, 1.8 V to 3.6 V; (2)Ultra-Low Power Consumption: Active Mode: 270 μA at 1 MHz, 2.2 V, Standby Mode (VLO): 0.3 μA, Off Mode (RAM Retention): 0.1 μA; (3)Ultra-Fast Wake-Up From Standby Mode in; (4)Less Than 1 μs; (5)16-Bit RISC Architecture, 62.5-ns Instruction Cycle Time; (6)On-Chip Comparator; (7)Supply Voltage Supervisor/Monitor With Programmable Level Detection; (8)Brownout Detector; (9)Bootstrap Loader; (10)Serial Onboard Programming, No External Programming Voltage Needed, Programmable Code Protection by Security Fuse.
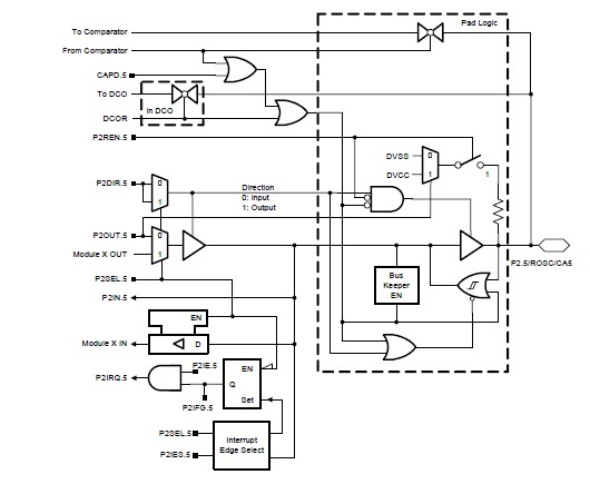
Diagrams

| Image | Part No | Mfg | Description | ![]() |
Pricing (USD) |
Quantity | ||||||||||||
|---|---|---|---|---|---|---|---|---|---|---|---|---|---|---|---|---|---|---|
![]() |
![]() MSP430F249TPMR |
![]() Texas Instruments |
![]() 16-bit Microcontrollers (MCU) 16B Ultra-Lo-Pwr MCU |
![]() Data Sheet |
![]()
|
|
||||||||||||
| Image | Part No | Mfg | Description | ![]() |
Pricing (USD) |
Quantity | ||||||||||||
![]() |
![]() MSP4120 |
![]() Other |
![]() |
![]() Data Sheet |
![]() Negotiable |
|
||||||||||||
![]() |
![]() MSP4200 |
![]() Other |
![]() |
![]() Data Sheet |
![]() Negotiable |
|
||||||||||||
![]() |
![]() MSP430×11× |
![]() Other |
![]() |
![]() Data Sheet |
![]() Negotiable |
|
||||||||||||
![]() |
![]() MSP430×11×2 |
![]() Other |
![]() |
![]() Data Sheet |
![]() Negotiable |
|
||||||||||||
![]() |
![]() MSP430×12×2 |
![]() Other |
![]() |
![]() Data Sheet |
![]() Negotiable |
|
||||||||||||
![]() |
![]() MSP430×21×1 |
![]() Other |
![]() |
![]() Data Sheet |
![]() Negotiable |
|
||||||||||||
(China (Mainland))










